Alarmanlage

Antworten
Benutzeravatar
Äufa
Beiträge: 37
Registriert: So 27. Okt 2013, 07:06
Erstzulassung: 2011
Km-Stand: 49520
Erstzulassung der 2. XT1200Z: 0
Km-Stand der 2. XT1200Z: 0
Ort: Enzersdorf an der Fischa

Alarmanlage

Beitrag von Äufa »

Sodal

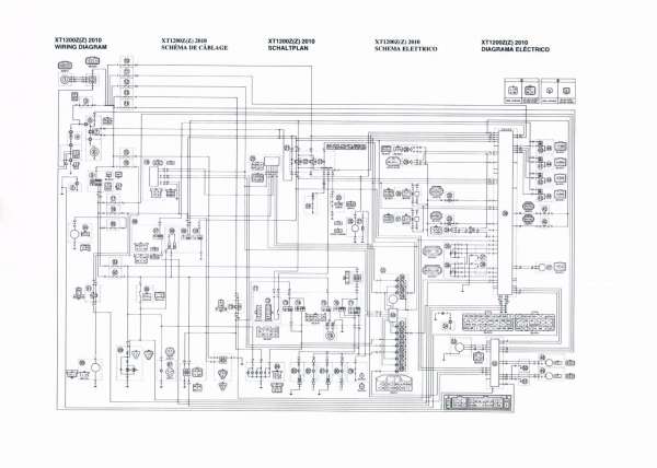
Nachdem ich von einigen PN´s wegen der Verkabelung und einbau der Alarmanlage bekommen habe, versuche ich hier das Thema noch mal aufzubereiten:

Unter der Sitzbank sind die Stecker versteckt.

[img]
WP_20131117_006.jpg
[/img]
[img]
WP_20131117_007.jpg
[/img]

Es sind drei Stück unbelegt ( Einer im Plastick Sackerl ist der Diagnosestecker, unter dem Einschubschutz sind die zwei für die Alarmanlage ( ein zweipoliger und ein vierpoliger))
Diese beiden habe ich kurzerhand eliminiert und durch einen sechspoligen AMP (auch Japan) Stecker ersetzt
Leider habe ich die beiden Stecker auch schon entsorgt, darum hier kein Foto davon. (Zeichnung der beiden unter 19 im Schaltplan)

[img]
WP_20131117_008.jpg
[/img]

Wie im Schaltplan unter der Nummer 19 zu sehen gibt es Sechs Kabel für die Alarmanlage, wobei ich nur fünf belegt habe.
Nummer sechs ( Stecker belegung B2) geht in die Nummer 20 (Immobilizer Unit) und ist die Ansteuerung für die Wegfahrsperre.
Nachdem nirgends heraus zu bekommen war, wie diese angesteuert wird ( +/- 12V/5V ???) hab ich die Finger davon gelassen.

Steckerbelegung :

B1: Klemme 30 - 12V Dauerstrom von Sicherung Schaltplan Nr.12
B2: Ansteuerung Immobilizer
BB1: Klemme 31 - Masse
BB2: Klemme 15 - 12V Geschaltet von Sicherung Schaltplan Nr.18
BB3: Blinker
BB4: Blinker

[img]
SCAN0010.JPG
[/img]
[img]
SCAN0009.JPG
[/img]

Ich habe eine Legos 4 mit zusätzlichem Erschütterungssensor von Louis verbaut.
Einabuort unter der Abdeckung unter dem Sozius Sitz.

[img]
WP_20131117_009.jpg
[/img]
[img]
WP_20131117_010.jpg
[/img]

Status LED hab ich neben Sitzschloß eingebaut (wollte nicht das Kabel bis nach vorne ziehen)

[img]
WP_20131117_005.jpg
[/img]


Der Rest ist eigentlich nur mehr wer bastelt mit
Viel Spaß beim tüfteln

mfg

Äufa
Benutzeravatar
rainer gustav
Beiträge: 870
Registriert: Di 4. Okt 2011, 18:48
Erstzulassung: 2011
Km-Stand: 175000
Modell: DP01
Erstzulassung der 2. XT1200Z: 0
Km-Stand der 2. XT1200Z: 0
Ort: Mönchengladbach

Re: Alarmanlage

Beitrag von rainer gustav »

Hallo,
ich hatte mir auch schon überlegt eine Legos einzubauen. Was willst Du denn noch an die Legos anschliessen, ausser der Blinkeransteuerung ? Die Wegfahrsperre ist sowieso aktiv.

Wir würde noch etwas einfallen,was man aktivieren könnte:
http://m.youtube.com/watch?v=jHIMp88mlGg" onclick="window.open(this.href);return false;

Grüsse,
Rainer
Antworten

Zurück zu „Elektrik & Elektronik“