Hallo zusammen,
seit einer Woche bin ich jetzt auch stolzer Besitzer einer XT1200ZE. Wenn man von einer Honda Deauville 700 auf dieses Moped umsteigt, gibt es schon deutliche Unterschiede.
Leistung und Fahrverhalten gefallen mir sehr gut. Jetzt geht's um (für mich) wichtiges Zubehör, dass ans Moped gehört, anzuschließen. Oberhalb der Tachoeinheit lässt sich hervorragend ein Navi platzieren. Ebenso wie Zusatzleuchten, sollten diese aber dauerhaft angeschlossen werden.
In älteren Beiträgen könnte man wunderbar zwei freie Anschlusstecker neben der Batterie erkennen, die für diese Funktionen zu nutzen sind. Diese finde ich an der ZE nicht. Dafür gibt aber einen vierpoligen freien Anschlusstecker unter dem Fahrersitz s. Foto.
Meine Frage ist jetzt, ob jemand diesen Anschuss kennt und ob es Pläne hierzu gibt. Ein passenden Gegenstecker zu bekommen, wäre auch klasse.
Gruß Manfred
aus Wesel
Freier Stecker unter dem Fahrersitz
- Manbert
- Beiträge: 44
- Registriert: Do 26. Mär 2015, 19:42
- Erstzulassung: 2015
- Km-Stand: 50250
- Modell: DP04
- Erstzulassung der 2. XT1200Z: 0
- Km-Stand der 2. XT1200Z: 0
- Ort: Wesel
Freier Stecker unter dem Fahrersitz
Honda FT500, Kawasaki GT 550, Honda CX650 Euro, Honda Deauville NT700, XT1200ZE, R1250GS ADV
-
volkerr
- Beiträge: 445
- Registriert: Mi 6. Mär 2013, 21:28
- Km-Stand: 0
- Erstzulassung der 2. XT1200Z: 0
- Km-Stand der 2. XT1200Z: 0
Re: Freier Stecker unter dem Fahrersitz
Das sollte der GPS-Test Stecker sein
- Manbert
- Beiträge: 44
- Registriert: Do 26. Mär 2015, 19:42
- Erstzulassung: 2015
- Km-Stand: 50250
- Modell: DP04
- Erstzulassung der 2. XT1200Z: 0
- Km-Stand der 2. XT1200Z: 0
- Ort: Wesel
Re: Freier Stecker unter dem Fahrersitz
Hallo VolkerR,
danke für die Info. Bitte kläre mich auf, was du damit meinst.
Ist das ein Diagnose Stecker für die Werkstatt?
Gruß Manfred
danke für die Info. Bitte kläre mich auf, was du damit meinst.
Ist das ein Diagnose Stecker für die Werkstatt?
Gruß Manfred
Honda FT500, Kawasaki GT 550, Honda CX650 Euro, Honda Deauville NT700, XT1200ZE, R1250GS ADV
- rubbergum
- Beiträge: 1713
- Registriert: Mi 5. Okt 2011, 09:20
- Erstzulassung: 2011
- Km-Stand: 50000
- Modell: DP01
- Erstzulassung der 2. XT1200Z: 0
- Km-Stand der 2. XT1200Z: 0
- Ort: Wien (A)
Re: Freier Stecker unter dem Fahrersitz
hi manfred,
lg, rubbergum
bei der dp01 war dies der diagnosestecker für das abs-modul. damit kannst du die einzelnen ventile und funktionen testen bez. ansteuern z.b. wenn du das modul entlüften musst. nehme an, dass es bei der nachfolgerin auch so ist.Manbert hat geschrieben:Ist das ein Diagnose Stecker für die Werkstatt.
lg, rubbergum
Honda CB400N - Suzuki DL650 V-Strom - Yamaha XT1200Z SuperTenere - Honda CRF1000L AfricaTwin - BMW R1250 GSA
-
volkerr
- Beiträge: 445
- Registriert: Mi 6. Mär 2013, 21:28
- Km-Stand: 0
- Erstzulassung der 2. XT1200Z: 0
- Km-Stand der 2. XT1200Z: 0
Re: Freier Stecker unter dem Fahrersitz
Genau, damit kann die Werkstatt mit einem Entsprechendem Test-Kabel die ABS-Funktion des Bikes testen bzw. das ABS arbeiten lassen.
Das mache ich übrigens bei meiner Yamaha GTS 1000 A auch selber, da ich zu selten in den Regelbereich des ABS-Systems bremse, was aber schlecht für das ABS-System ist.
Also lasse ich das ABS-System eben einmal im Monat per System "Arbeiten" und gut ist
Diesen ABS-Stecker sollten alle Yamaha Bikes mit ABS haben !.
Gruß
Volker
Das mache ich übrigens bei meiner Yamaha GTS 1000 A auch selber, da ich zu selten in den Regelbereich des ABS-Systems bremse, was aber schlecht für das ABS-System ist.
Also lasse ich das ABS-System eben einmal im Monat per System "Arbeiten" und gut ist
Diesen ABS-Stecker sollten alle Yamaha Bikes mit ABS haben !.
Gruß
Volker
-
Enduro-Marc
Re: Freier Stecker unter dem Fahrersitz
Hallo,
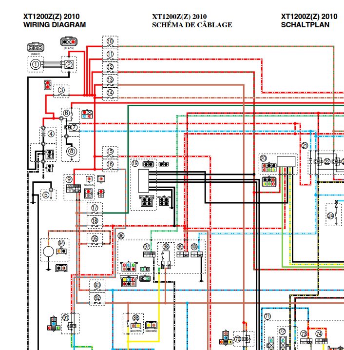
schau das Bild vom Schaltplan - ist aus dem WHB der 2010er aber bisher bei fast allen Modellen gleich - bis auf die ABS Modelle hat es minim. Änderungen. Bei Pos. 19 ist das aber für alle Modelle identisch unbd möglich. Das sind 2 Stecker, - eIn 4 pol-Stecker und ein 2 pol.-Stecker. Das ist normalerweise für eine Alarmanlage gedacht und dort sind 12 Volt über Zündung, 12 Volt über Dauer, Masse, und je zur Blinkerseite links und rechts eine Leitung vorhanden.
Die Kabelfarben sind alle schwarz, bis auf die dunkelgrüne und braune Leitung für die Blinkerseiten. Man muß es durchmessen, was wo anliegt.
Gegenstecker gibt es recht schwierig und sind nicht billig. Ich habe aber eine Bezugsquelle dafür. Per PN an mich, dann gibt es die Adresse. Es ist hier anscheinend nicht gewünscht wenn man für div. Spezialfirmen Werbung macht, daher nenne ich die Firma nicht.
Gruß
M
schau das Bild vom Schaltplan - ist aus dem WHB der 2010er aber bisher bei fast allen Modellen gleich - bis auf die ABS Modelle hat es minim. Änderungen. Bei Pos. 19 ist das aber für alle Modelle identisch unbd möglich. Das sind 2 Stecker, - eIn 4 pol-Stecker und ein 2 pol.-Stecker. Das ist normalerweise für eine Alarmanlage gedacht und dort sind 12 Volt über Zündung, 12 Volt über Dauer, Masse, und je zur Blinkerseite links und rechts eine Leitung vorhanden.
Die Kabelfarben sind alle schwarz, bis auf die dunkelgrüne und braune Leitung für die Blinkerseiten. Man muß es durchmessen, was wo anliegt.
Gegenstecker gibt es recht schwierig und sind nicht billig. Ich habe aber eine Bezugsquelle dafür. Per PN an mich, dann gibt es die Adresse. Es ist hier anscheinend nicht gewünscht wenn man für div. Spezialfirmen Werbung macht, daher nenne ich die Firma nicht.
Gruß
M
- Helmut
- Beiträge: 5492
- Registriert: Fr 31. Aug 2012, 20:12
- Erstzulassung: 2022
- Km-Stand: 0
- Erstzulassung der 2. XT1200Z: 0
- Km-Stand der 2. XT1200Z: 0
- Modell der 2. XT1200Z: Anderes
- Ort: Da wo ich mich Zuhause fühle
Re: Freier Stecker unter dem Fahrersitz
Hallo Manfred, das Gegenstück steckt und die benötigten Pins gibt es mittlerweile bei POLO.Manbert hat geschrieben:Ein passenden Gegenstecker zu bekommen, wäre auch klasse.
Meine Moppeds:
Hondas CB 500f>CB 400N>CB 750f>CB 900f>VFR 750f>
Yamahas FZS 1000>XT 1200(DP01)>MT 09 Tracer>XT 1200ZE(DP04)>Tracer 900 GT
BMW R 1250 GS
Gruß Helmut
Hondas CB 500f>CB 400N>CB 750f>CB 900f>VFR 750f>
Yamahas FZS 1000>XT 1200(DP01)>MT 09 Tracer>XT 1200ZE(DP04)>Tracer 900 GT
BMW R 1250 GS
Gruß Helmut
- Manbert
- Beiträge: 44
- Registriert: Do 26. Mär 2015, 19:42
- Erstzulassung: 2015
- Km-Stand: 50250
- Modell: DP04
- Erstzulassung der 2. XT1200Z: 0
- Km-Stand der 2. XT1200Z: 0
- Ort: Wesel
Re: Freier Stecker unter dem Fahrersitz
Hallo Freunde de XT 
Danke für eure Antworten. Ihr habt mir gut geholfen.
Ach ja, die zusätzlichen Stecker für weitere elektrische Verbraucher habe ich doch gefunden (wer suchen kann ist klar im Vorteil...).
Nachdem ich das Forum weiter durchsucht habe, konnte ich alle wichtigen Infos zum Anschluss meines Navi und der LED Zusatzscheinwerfer finden.
Jetzt ist mein neues Moped fast fertig und bereit für die große Reise.
Danke an alle, die hier wichtige Infos hinterlegen.
Gruß Manfred
aus Wesel
Danke für eure Antworten. Ihr habt mir gut geholfen.
Ach ja, die zusätzlichen Stecker für weitere elektrische Verbraucher habe ich doch gefunden (wer suchen kann ist klar im Vorteil...).
Nachdem ich das Forum weiter durchsucht habe, konnte ich alle wichtigen Infos zum Anschluss meines Navi und der LED Zusatzscheinwerfer finden.
Jetzt ist mein neues Moped fast fertig und bereit für die große Reise.
Danke an alle, die hier wichtige Infos hinterlegen.
Gruß Manfred
aus Wesel
Honda FT500, Kawasaki GT 550, Honda CX650 Euro, Honda Deauville NT700, XT1200ZE, R1250GS ADV
-
Werner_ED
Re: Freier Stecker unter dem Fahrersitz
Hallo Manfred,Manbert hat geschrieben:Hallo Freunde de XT
Ach ja, die zusätzlichen Stecker für weitere elektrische Verbraucher habe ich doch gefunden (wer suchen kann ist klar im Vorteil...).
Gruß Manfred
aus Wesel
wo hast Du die zusätzlichen Stecker denn gefunden.......
.....ich möchte nicht soo lange suchen
XT1200 Bj. 2012
Nehme natürlich auch von anderen Tipps diesbezüglich an
Gruß aus Erding
Werner
- Helmut
- Beiträge: 5492
- Registriert: Fr 31. Aug 2012, 20:12
- Erstzulassung: 2022
- Km-Stand: 0
- Erstzulassung der 2. XT1200Z: 0
- Km-Stand der 2. XT1200Z: 0
- Modell der 2. XT1200Z: Anderes
- Ort: Da wo ich mich Zuhause fühle
Re: Freier Stecker unter dem Fahrersitz
Werner, ich antworte mal für Manfred. Die Stescker sind unter der rechten Verkleidung in der Nähe vom Werkzeug.
Bei Beiden die ich hatte/habe, hinter anderen Steckern versteckt.
Siehe WIKI.
Ansonsten siehe 3 Beiträge höher.
Bei Beiden die ich hatte/habe, hinter anderen Steckern versteckt.
Siehe WIKI.
Ansonsten siehe 3 Beiträge höher.
Meine Moppeds:
Hondas CB 500f>CB 400N>CB 750f>CB 900f>VFR 750f>
Yamahas FZS 1000>XT 1200(DP01)>MT 09 Tracer>XT 1200ZE(DP04)>Tracer 900 GT
BMW R 1250 GS
Gruß Helmut
Hondas CB 500f>CB 400N>CB 750f>CB 900f>VFR 750f>
Yamahas FZS 1000>XT 1200(DP01)>MT 09 Tracer>XT 1200ZE(DP04)>Tracer 900 GT
BMW R 1250 GS
Gruß Helmut