Hallo Bastlergemeinde,
als stolzer Besitzer der Zusatzscheinwerfer habe ich heute allerdings zunächst das Handtuch bei der Montage geworfen. Anders als durch Touratech auf der Motorradmesse Dortmund im Gespräch mitgeteilt, stellt sich der elektrische Anschluss als doch nicht so einfach dar.
Die Montageanleitung ist hier nicht sonderlich hilfreich, daher die Fragen an die Profis:
1.) Wo genau habt ihr die Verbindung des gelben Kabel (LED Fog Beam) zum Abblendlicht + hergestellt? Ich ging zunächst davon aus, dass man dies in der Nähe des Hauptscheinwerfers macht.
2.) Wo genau habt ihr die Verbindung des weißen Kabel (LED High Beam) zum Fernlicht + hergestellt. Hier stellt sich für mich die Problematik, dass ja quasi beide Abblendlichter durch den Stellmotor als Fernlicht fungieren und ferner kein freier Zugang zum Kabel besteht.
Herzlichen Dank für jeden Tip!
Noch nicht erhellte Grüße
(Ride with Pride)
Anschluß Touratech LED Zusatzscheinwerfer Nebel/Fernlicht
- Maurice
- Beiträge: 417
- Registriert: Mo 3. Okt 2011, 17:57
- Erstzulassung: 2010
- Km-Stand: 183000
- Modell: DP01
- Erstzulassung der 2. XT1200Z: 0
- Km-Stand der 2. XT1200Z: 0
- Ort: Sittard
Re: Anschluß Touratech LED Zusatzscheinwerfer Nebel/Fernlicht
Ich habe die gleiche lichter von TT gekauft und verbasteld.
Dass Fernlicht habe ich rechts hinter der obere verkleidung angeklemt auf ein selbst gebastelden man/weib zwischen stecker der gleich ist wie das Orginal. Es geht da dan um den strecker von der orginal scheinwerfer. Die stecker hatte ich damals online gekauft bei X-mas motorcycle electrics.
Übrigens hatte ich mir voriges jahr auch bei TT informiert ob ich in der orginal kabelbaum musste schneiden, und der man sagte mir von nicht, deshalb dachte ich das alles mit orginal stecker war vorbereitet, was leider nicht so ist.
Dass Fernlicht habe ich rechts hinter der obere verkleidung angeklemt auf ein selbst gebastelden man/weib zwischen stecker der gleich ist wie das Orginal. Es geht da dan um den strecker von der orginal scheinwerfer. Die stecker hatte ich damals online gekauft bei X-mas motorcycle electrics.
Übrigens hatte ich mir voriges jahr auch bei TT informiert ob ich in der orginal kabelbaum musste schneiden, und der man sagte mir von nicht, deshalb dachte ich das alles mit orginal stecker war vorbereitet, was leider nicht so ist.
-
BlueKnight
Re: Anschluß Touratech LED Zusatzscheinwerfer Nebel/Fernlicht
Danke, dass ist ja schon mal was.
Ich habe Touratech gerade mal angeschrieben und ebenfalls um Hilfe gebeten. Mal schauen ob da was hilfreiches zurück kommt. Falls ja werde ich es für die Nachwelt posten.
Ich werde versuchen, den Nebelscheinwerfer an den Originalstecker "Yamaha" anzuschließen. Grundsätzlich hängt da zwar schon mein Navi dran, aber das sollte bei der geringen Belastung gehen. Bleibt halt noch das Problem mit dem Fernlicht.
Kannst du gegebenenfalls den Bereich "rechts hinter der oberen Verkleidung" etwas detaillierter beschreiben. Meinst du die äußere obere rechte Seitenverkleidung? Verstehe ich das richtig, da gibt es einen Stecker? Ich ging bis dato davon aus, dass der Kabelbaum weiter runter reicht und erst in irgendeinen Steuer- Verteilergerät endet. Musstest du den Kabelbaum dennoch hierfür auftrennen oder gibt es dort unter der Seitenverkleidung tatsächlich einen Stecker?
Danke schon mal in jedem Fall
Ich habe Touratech gerade mal angeschrieben und ebenfalls um Hilfe gebeten. Mal schauen ob da was hilfreiches zurück kommt. Falls ja werde ich es für die Nachwelt posten.
Ich werde versuchen, den Nebelscheinwerfer an den Originalstecker "Yamaha" anzuschließen. Grundsätzlich hängt da zwar schon mein Navi dran, aber das sollte bei der geringen Belastung gehen. Bleibt halt noch das Problem mit dem Fernlicht.
Kannst du gegebenenfalls den Bereich "rechts hinter der oberen Verkleidung" etwas detaillierter beschreiben. Meinst du die äußere obere rechte Seitenverkleidung? Verstehe ich das richtig, da gibt es einen Stecker? Ich ging bis dato davon aus, dass der Kabelbaum weiter runter reicht und erst in irgendeinen Steuer- Verteilergerät endet. Musstest du den Kabelbaum dennoch hierfür auftrennen oder gibt es dort unter der Seitenverkleidung tatsächlich einen Stecker?
Danke schon mal in jedem Fall
- rubbergum
- Beiträge: 1713
- Registriert: Mi 5. Okt 2011, 09:20
- Erstzulassung: 2011
- Km-Stand: 50000
- Modell: DP01
- Erstzulassung der 2. XT1200Z: 0
- Km-Stand der 2. XT1200Z: 0
- Ort: Wien (A)
Re: Anschluß Touratech LED Zusatzscheinwerfer Nebel/Fernlicht
@bluenight
hinter der rechten oberen seitenverkleidung gibt es eine gummitülle, in der mehrere stecker versteckt sind. unter anderem einer für die scheinwerfer. dort kannst du das fernlicht abgreifen.
der stecker ist 4-polig: fernlicht (shutter), abblendlicht, standlicht und masse.
das fernlicht müsste das gelbe kabel sein bzw. das rote richtung scheinwerfer.
lg, rubbergum
hinter der rechten oberen seitenverkleidung gibt es eine gummitülle, in der mehrere stecker versteckt sind. unter anderem einer für die scheinwerfer. dort kannst du das fernlicht abgreifen.
der stecker ist 4-polig: fernlicht (shutter), abblendlicht, standlicht und masse.
das fernlicht müsste das gelbe kabel sein bzw. das rote richtung scheinwerfer.
lg, rubbergum
Honda CB400N - Suzuki DL650 V-Strom - Yamaha XT1200Z SuperTenere - Honda CRF1000L AfricaTwin - BMW R1250 GSA
- Maurice
- Beiträge: 417
- Registriert: Mo 3. Okt 2011, 17:57
- Erstzulassung: 2010
- Km-Stand: 183000
- Modell: DP01
- Erstzulassung der 2. XT1200Z: 0
- Km-Stand der 2. XT1200Z: 0
- Ort: Sittard
Re: Anschluß Touratech LED Zusatzscheinwerfer Nebel/Fernlicht
Richtig, so isses gemeint.rubbergum hat geschrieben:@bluenight
hinter der rechten oberen seitenverkleidung gibt es eine gummitülle, in der mehrere stecker versteckt sind. unter anderem einer für die scheinwerfer. dort kannst du das fernlicht abgreifen.
der stecker ist 4-polig: fernlicht (shutter), abblendlicht, standlicht und masse.
das fernlicht müsste das gelbe kabel sein bzw. das rote richtung scheinwerfer.
lg, rubbergum
-
BlueKnight
Re: Anschluß Touratech LED Zusatzscheinwerfer Nebel/Fernlicht
@Maurice und Rubbergum
Was soll ich sagen...... I H R S E I T K L A S S E
Herzlichen Dank.
Dann sehe ich mal zu, dass ich das alles ordentlich verknote
Gruß
Blue Knight
(Ride with Pride)
Was soll ich sagen...... I H R S E I T K L A S S E
Herzlichen Dank.
Dann sehe ich mal zu, dass ich das alles ordentlich verknote
Gruß
Blue Knight
(Ride with Pride)
-
BlueKnight
Re: Anschluß Touratech LED Zusatzscheinwerfer Nebel/Fernlicht
Dank Maurice und Rubbergum´s Hinweise
und mit der Unterstützung des Yamaha Wartungsanleitunghandbuch (lesen der Schaltpläne) ist das Projekt Einbau erledigt. Ein letztlich somit in Eigenregie durchführbares Projekt.
Unterm Strich wäre eine Online-Dokumentation des Einbaus
, oder eine ausführlichere Einbauanleitung durch den Hersteller/Vertrieb wünschenswert.
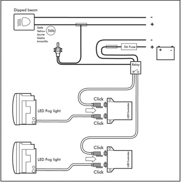
Die Montage der Lampen und der Halter sowie der beiden Regler verlief absolut problemlos. Zum Zweck einer ordentlichen Kabelverlegung war es bei mir erforderlich die rechten Seitenverkleidungen, das Windschild, Lampenmaske und Scheinwerfer auszubauen. Der Anschluss an den Scheinwerferkabelbaum erfolgt wie durch Maurice und Rubbergum beschrieben in der Nähe des Steckers der sich unterhalb der rechten oberen Seitenverkleidung befindet.
(...) hinter der rechten oberen Seitenverkleidung gibt es eine Gummitülle, in der mehrere Stecker versteckt sind. Unter Anderem einer für die Scheinwerfer. Dort kannst du das Fernlicht abgreifen.
- Der Stecker ist 4-polig: Fernlicht (shutter), Abblendlicht, Standlicht und Masse.
- Das Fernlicht müsste das gelbe Kabel sein bzw. das Rote Richtung Scheinwerfer. (...)
Anmerkung Fernlicht: Übergang Stecker Gelb - Rot (zum Scheinwerfer)
Anmerkung Abblendlicht: Übergang Stecker Schwarzblau- Blau (zum Scheinwerfer)
Der Scheinwerferkabelbaum wird bei mir recht straff in die rechte Seitenverkleidung geführt. Er ragt mit einer Länge von etwa 10cm in die rechte obere Seitenverkleidung. Aufgrund dieser Kürze ist es ein etwas fummeliges Unterfangen. Den Anschluss der Verkabelung habe ich nicht mit den mitgelieferten Schnellverbinderkabelklemmen vorgenommen, da ich diesen nicht viel abgewinnen konnte.
Letztlich habe ich mich entschieden, den Einbau des Nebellichtschalters nicht am Lenker sondern links im Cockpit (Seitenleiste) vorzunehmen.
Ansonsten passt alles, macht einen hochwertigen Eindruck. Bis dato habe ich nur eine Dunkelfahrt machen können, war aber bereits bei dieser sehr zufrieden mit der Lichtausbeute.
Unterm Strich wäre eine Online-Dokumentation des Einbaus
Die Montage der Lampen und der Halter sowie der beiden Regler verlief absolut problemlos. Zum Zweck einer ordentlichen Kabelverlegung war es bei mir erforderlich die rechten Seitenverkleidungen, das Windschild, Lampenmaske und Scheinwerfer auszubauen. Der Anschluss an den Scheinwerferkabelbaum erfolgt wie durch Maurice und Rubbergum beschrieben in der Nähe des Steckers der sich unterhalb der rechten oberen Seitenverkleidung befindet.
(...) hinter der rechten oberen Seitenverkleidung gibt es eine Gummitülle, in der mehrere Stecker versteckt sind. Unter Anderem einer für die Scheinwerfer. Dort kannst du das Fernlicht abgreifen.
- Der Stecker ist 4-polig: Fernlicht (shutter), Abblendlicht, Standlicht und Masse.
- Das Fernlicht müsste das gelbe Kabel sein bzw. das Rote Richtung Scheinwerfer. (...)
Anmerkung Fernlicht: Übergang Stecker Gelb - Rot (zum Scheinwerfer)
Anmerkung Abblendlicht: Übergang Stecker Schwarzblau- Blau (zum Scheinwerfer)
Der Scheinwerferkabelbaum wird bei mir recht straff in die rechte Seitenverkleidung geführt. Er ragt mit einer Länge von etwa 10cm in die rechte obere Seitenverkleidung. Aufgrund dieser Kürze ist es ein etwas fummeliges Unterfangen. Den Anschluss der Verkabelung habe ich nicht mit den mitgelieferten Schnellverbinderkabelklemmen vorgenommen, da ich diesen nicht viel abgewinnen konnte.
Letztlich habe ich mich entschieden, den Einbau des Nebellichtschalters nicht am Lenker sondern links im Cockpit (Seitenleiste) vorzunehmen.
Ansonsten passt alles, macht einen hochwertigen Eindruck. Bis dato habe ich nur eine Dunkelfahrt machen können, war aber bereits bei dieser sehr zufrieden mit der Lichtausbeute.
- Maurice
- Beiträge: 417
- Registriert: Mo 3. Okt 2011, 17:57
- Erstzulassung: 2010
- Km-Stand: 183000
- Modell: DP01
- Erstzulassung der 2. XT1200Z: 0
- Km-Stand der 2. XT1200Z: 0
- Ort: Sittard
Re: Anschluß Touratech LED Zusatzscheinwerfer Nebel/Fernlicht
Gern gemacht. Viel Spaß mit Beleuchten.

-
Tim
Re: Anschluß Touratech LED Zusatzscheinwerfer Nebel/Fernlicht
Wenn ich das richtig sehe im Schaltplan, geht dann der Strom für Fernlicht + Zusatz Scheinwerfer direkt über den Fernlichtschalter am Lenker.
Hält der das ohne Probleme aus, oder habt ihr da noch ein Relais verbaut?
Meine Zusatzscheinwerfer haben zusammen grob
5-6 Ampere (25-30 Watt bei 12Volt)
Hält der das ohne Probleme aus, oder habt ihr da noch ein Relais verbaut?
Meine Zusatzscheinwerfer haben zusammen grob
5-6 Ampere (25-30 Watt bei 12Volt)
-
Prosch
- Beiträge: 68
- Registriert: Fr 9. Feb 2018, 10:16
- Erstzulassung: 2017
- Km-Stand: 72000
- Modell: DP07
- Erstzulassung der 2. XT1200Z: 0
- Km-Stand der 2. XT1200Z: 0
- Ort: Zwickau
Re: Anschluß Touratech LED Zusatzscheinwerfer Nebel/Fernlicht
Hi,
ich wollte das Thema nochmal hochholen - weil ich vorhabe, die Kombination Nebel/Nebel zu installieren. Fährt die so jemand und bringt das in Sachen Kurvenausleuchtung wirklich etwas?
Da stellen sich aber noch einige andere Fragezeichen:
Ich habe mir mal die Montageanleitung von Touratech angesehen. Das hier aufgeführte Relais, wird das mitgeliefert? Wenn ja, wo habt ihr das verbaut - in der Nähe der Batterie? Mit einem Kabel des Schalters kann ich dann an die Gummitülle in der rechten Seitenverkleidung gehen? Das andere Kabel geht zum Relais? Wo montiert man den Schalter am Besten, um den dann auch gut bedienen zu können?
Wie hier geschrieben, wurde nur die rechte Verkleidung abgebaut - es müssen doch beide Verkleidungen runter, da auf jeder Seite ein Steuergerät montiert werden muss - oder sehe ich das falsch?
Wie immer für jeder Hilfe dankbar
Gruß Thomas
ich wollte das Thema nochmal hochholen - weil ich vorhabe, die Kombination Nebel/Nebel zu installieren. Fährt die so jemand und bringt das in Sachen Kurvenausleuchtung wirklich etwas?
Da stellen sich aber noch einige andere Fragezeichen:
Ich habe mir mal die Montageanleitung von Touratech angesehen. Das hier aufgeführte Relais, wird das mitgeliefert? Wenn ja, wo habt ihr das verbaut - in der Nähe der Batterie? Mit einem Kabel des Schalters kann ich dann an die Gummitülle in der rechten Seitenverkleidung gehen? Das andere Kabel geht zum Relais? Wo montiert man den Schalter am Besten, um den dann auch gut bedienen zu können?
Wie hier geschrieben, wurde nur die rechte Verkleidung abgebaut - es müssen doch beide Verkleidungen runter, da auf jeder Seite ein Steuergerät montiert werden muss - oder sehe ich das falsch?
Wie immer für jeder Hilfe dankbar
Gruß Thomas