Die Lösung wie es konform und mit Lichthupe / Fernlicht funktioniert ist nicht wirklich schwierig. Ein Wechslerrelais und eine Diode.
Steht sogar im Wiki http://wiki.xt1200z-forum.de/index.php? ... altung.pdf
Relais könnte ich zum HiFaKo mitbringen falls Jemand Bedarf hat, der 5er-Pack war deutlich günstig.
Tagfahrlicht ab 1.4.2013 für Motorräder
- Stefan_L
- Beiträge: 641
- Registriert: Sa 11. Mai 2013, 18:36
- Erstzulassung: 2012
- Km-Stand: 37200
- Modell: DP01
- Erstzulassung der 2. XT1200Z: 0
- Km-Stand der 2. XT1200Z: 0
- Ort: Berlin-Marienfelde
Re: Tagfahrlicht ab 1.4.2013 für Motorräder
Viele Grüße
Stefan
Kreidler Florett, CB 50, GSX 400 E, XJ 550, XJ 900F, XTZ660, XT1200 (DP01) seit 06-2013
Stefan
Kreidler Florett, CB 50, GSX 400 E, XJ 550, XJ 900F, XTZ660, XT1200 (DP01) seit 06-2013
- Varaderokalle
- Beiträge: 1661
- Registriert: Do 26. Jan 2012, 17:15
- Erstzulassung: 2012
- Km-Stand: 48200
- Erstzulassung der 2. XT1200Z: 0
- Km-Stand der 2. XT1200Z: 0
- Ort: Aachen
Re: Tagfahrlicht ab 1.4.2013 für Motorräder
Guten Morgen Gemeinde,
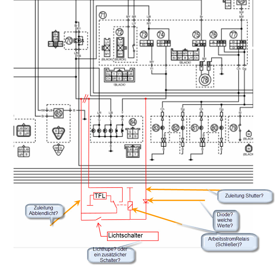
ich habe mir die Wiki Schaltung angesehen. Ich bin leider nicht so der Vollblutelektriker und Schaltplan-Leser.
Meine Fragen habe ich in dem Schaltplan mal reingezeichnet.
Und wenn ich das richtig sehe, hat's in diesem Schaltbild doch keine Möglichkeit mehr normales Abblendlicht (TFL aus) zu aktivieren, oder?
ich habe mir die Wiki Schaltung angesehen. Ich bin leider nicht so der Vollblutelektriker und Schaltplan-Leser.
Meine Fragen habe ich in dem Schaltplan mal reingezeichnet.
Und wenn ich das richtig sehe, hat's in diesem Schaltbild doch keine Möglichkeit mehr normales Abblendlicht (TFL aus) zu aktivieren, oder?
Yamaha RD80, Honda CB125, Yamaha XS400, Vespa PK50, Honda FT500, Honda VT500E, Stadtroller Berlin IWL, Honda Vigor 650, Yamaha XJ600, Honda Varadero XLv1000,