Scheinwerfer bleiben dunkel

Antworten
Benutzeravatar
xjr1200
Beiträge: 648
Registriert: Sa 6. Feb 2016, 18:36
Erstzulassung: 2013
Km-Stand: 122988
Modell: DP01
Erstzulassung der 2. XT1200Z: 0
Km-Stand der 2. XT1200Z: 0
Ort: Wittenbach

Scheinwerfer bleiben dunkel

Beitrag von xjr1200 »

Hallo allerseits.

Mal ein - meinerseits - völlig unerwartetes Problem an meiner :xt12: (DP01). ...was ich noch nie an irgendeiner meiner vergangenen Maschinen je erlebt habe (durch's Band alle mit Doppelscheinwerfer ja, auch meine XJR)

Ich hab hier auch schon gesucht und gesucht - auf allen 14 Seiten in diesem Unterthema auch einiges interessantes gefunden, was hiermit nicht mal was zu tun hat. :lol: Ist interessant, auch in uralten Beiträgen mal zu stöbern, findet sich immer was Interessantes! :daumen:


Ich war gestern eine kurze Runde fahren, da bemerke ich hinter einem Auto stehend, dass meine Scheinwerfer nicht an sind - macht man halt mal kurz die Nebler an und fährt zum nächsten Handel wo man H7 bekommt. Ungewöhnlich, dass gleich beide Birnen ausfallen, aber kann's ja mal geben - noch dazu, wo ich die letzten beiden Male jeweils die Birne im rechten Scheinwerfer ersetzen musste.

Also, husch ausgewechselt die Dinger, Motor starten - nix da. Bleibt immer noch dunkel. Die komplette restliche Beleuchtung funktionert einwandfrei.
Wieder zuhause angekommen, hab ich in der Garage kurz den einen Stecker an der Birne abgezogen und gemessen: kein Strom da. Und ehe die Frage kommt: ja, natürlich bei laufendem Motor.

Hab ich also heute vor einer neuerlichen kleinen Ausfahrt erst mal die rechte Verkleidung runter genommen und die Sicherung gecheckt. Sah gut aus, wurde aber trotzdem ersetzt. Dasselbe: die Scheinwerfer bleiben dunkel.

Weiss jemand, wo das Relais sitzt, das die Scheinwerfer beim Motorstart mit Strom versorgen soll?

Meine :xt12: muss eh bald in' Service, aber die Ursache für den Ausfall der Scheinwerfer würde ich gerne vorher selber mal rauskriegen.
Benutzeravatar
Maurice
Beiträge: 416
Registriert: Mo 3. Okt 2011, 17:57
Erstzulassung: 2010
Km-Stand: 183000
Modell: DP01
Erstzulassung der 2. XT1200Z: 0
Km-Stand der 2. XT1200Z: 0
Ort: Sittard

Re: Scheinwerfer bleiben dunkel

Beitrag von Maurice »

Es könnte sein dass dein Zundschlussel nicht vollständig in die richtige Position steht. Ich hätte dass auch mal, Motor läuft aber kein licht.
Benutzeravatar
doppelklick
Beiträge: 2703
Registriert: Mi 7. Sep 2011, 00:25
Erstzulassung: 2012
Km-Stand: 215430
Modell: DP01
Erstzulassung der 2. XT1200Z: 2011
Km-Stand der 2. XT1200Z: 11500
Modell der 2. XT1200Z: DP01
Ort: Niederaichbach

Re: Scheinwerfer bleiben dunkel

Beitrag von doppelklick »

Maurice hat geschrieben: Sa 5. Feb 2022, 21:26 Es könnte sein dass dein Zundschlussel nicht vollständig in die richtige Position steht. Ich hätte dass auch mal, Motor läuft aber kein licht.
Kann sein, dann funktioniert aber auch die restliche Elektrik nicht.

Im rechten Seitenkasten ist oben eine Gummitülle. Da sind die Scheinwerfer angesteckt.
Vielleicht gibt es da ein Problem.

Viele Grüße

Thomas
‹(•¿•)› Wer lesen kann ist klar im Vorteil! ‹(•¿•)›
<--- Dieser Beitrag gibt lediglich die persönliche Meinung des Verfasser wieder. --->
Benutzeravatar
doppelklick
Beiträge: 2703
Registriert: Mi 7. Sep 2011, 00:25
Erstzulassung: 2012
Km-Stand: 215430
Modell: DP01
Erstzulassung der 2. XT1200Z: 2011
Km-Stand der 2. XT1200Z: 11500
Modell der 2. XT1200Z: DP01
Ort: Niederaichbach

Re: Scheinwerfer bleiben dunkel

Beitrag von doppelklick »

Das sagt das Werkstatthandbuch:
421BD852-93AE-4601-B556-4506F1CC0FF4.jpeg
Nummer 6 ist das Scheinwerferrelais.
4F01FFF6-8292-4235-8C61-6D55CAFA11A0.jpeg
Auf die Bilder klicken. Dann werden sie groß angezeigt.
‹(•¿•)› Wer lesen kann ist klar im Vorteil! ‹(•¿•)›
<--- Dieser Beitrag gibt lediglich die persönliche Meinung des Verfasser wieder. --->
Benutzeravatar
Maurice
Beiträge: 416
Registriert: Mo 3. Okt 2011, 17:57
Erstzulassung: 2010
Km-Stand: 183000
Modell: DP01
Erstzulassung der 2. XT1200Z: 0
Km-Stand der 2. XT1200Z: 0
Ort: Sittard

Re: Scheinwerfer bleiben dunkel

Beitrag von Maurice »

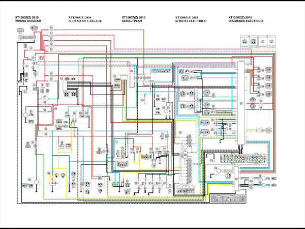
Hierbei ein Schaltplan.
70 ist dass Relais von licht
84 ist der Stecker der hinter die Verkleidung rechts oben sitzt.

Übrigens war in 2011/2012 ein Rückruf Aktion wobei die Stecker der Leuchtbirnen zu heiss könnten werden wodurch dass licht durch eine zu grosse wiederstand nicht mer ging. Ich denke dass es bei dir modifiziert wurde, aber trotzdem mal checken.
Dateianhänge
AA9E7B00-6D0A-4A22-8458-42D89F62FDF0.png
A5C5B29A-5344-4181-AF73-50FC00EAF23F.png
Benutzeravatar
sammy65
Beiträge: 212
Registriert: Do 19. Mai 2016, 12:15
Erstzulassung: 2012
Km-Stand: 87800
Modell: DP01
Erstzulassung der 2. XT1200Z: 0
Km-Stand der 2. XT1200Z: 0
Ort: Köln

Re: Scheinwerfer bleiben dunkel

Beitrag von sammy65 »

Hallo

kontrolliere bitte mal den Anschlussstecker (4-polig) vom Scheinwerfer-Kabelstrang.
der sitzt rechts unter dem oberen Lufteinlass zusammen mit anderen Steckern in einer schwarzen Gummitülle.
Unbenannt.JPG
Unbenannt.JPG (40.46 KiB) 2031 mal betrachtet
Bei mir war der verschmort und hatte keinen richtigen Kontakt mehr.

Grüße, Ralf
Benutzeravatar
xjr1200
Beiträge: 648
Registriert: Sa 6. Feb 2016, 18:36
Erstzulassung: 2013
Km-Stand: 122988
Modell: DP01
Erstzulassung der 2. XT1200Z: 0
Km-Stand der 2. XT1200Z: 0
Ort: Wittenbach

Re: Scheinwerfer bleiben dunkel

Beitrag von xjr1200 »

Erst mal herzlichen Dank allerseits für die Hilfestellung und Tipps! :daumen:

Ich hab mich gerade auf die Suche gemacht, erst mal die :xt12: etwas nackig gemacht... :-)

ich bin von den Scheinwerfern her retour suchen gegangen, also erst mal die Kontakte (hinter der oberen Verkleidung vorne rechts, mit der grossen Gummitülle drumrum)...
IMG_20220207_123049_1.jpg
Schaut mir schon ein wenig angeschmort aus. :shock:

Dann das Gegenstück...
IMG_20220207_130322_8.jpg
Die Kontakte haben sicher schon bessere Zeiten erlebt. Also mal ein wenig gesäubert.

Etwas weiter zurück auf der Suche nach dem richtigen Relais bin ich dann etwas hängengeblieben. Aber das was in Frage kommen könnte, wäre das 3. von links. Hier etwas auffällig, was mir schon bei der Kabelbei von den Scheinwerfern aufgefallen ist: etwas weisses Isoband mit einem blauen Punkt dran:

IMG_20220207_131448_1.jpg
Ich hoffe man erkennt es - hab erst auf den PC bemerkt dass es etwas unscharf geworfen ist.
Das hab ich mal rausgezogen, Stecker weg - schaut alles sauber aus. Ob es funktioniert? Keine Ahnung erst mal. Aber bevor ich da alles auseinander nehme und mir die Zeit ausgeht, hab ich mal wieder die Scheinwerfer montiert, angeschlossen und nur zur Kontrolle ob ich vielleicht noch mehr kaputt gemacht habe die Maschine gestartet. Et voilä:

IMG_20220207_131406_3.jpg
Vermutlich hat das blosse Reinigen der Kontakte am Anschluss schon genützt.
Etwas verdächtig ist mir das ganze aber trotzdem. Der leicht angeschmorte Stecker lässt auf das Problem schliessen, das mit einer Rückrufaktion mal behoben werden sollte. Das - könnte ich mir vorstellen wegen der weissen Tapes mit blauem Punkt (sonst nirgends etwas ähnliches zu sehen) - wird aber vermutlich schon gemacht worden sein.
Naja, für's erste funktioniert's, und die :xt12: kommt eh bald zum grossen Service in die Werkstatt. Dann soll sich mein Mech das gleich mal noch genauer ansehen. :-)

Danke allerseits!
Benutzeravatar
xjr1200
Beiträge: 648
Registriert: Sa 6. Feb 2016, 18:36
Erstzulassung: 2013
Km-Stand: 122988
Modell: DP01
Erstzulassung der 2. XT1200Z: 0
Km-Stand der 2. XT1200Z: 0
Ort: Wittenbach

Re: Scheinwerfer bleiben dunkel

Beitrag von xjr1200 »

Mag sein, dass ich aktuell etwas "empfindlicher" darauf reagiere... :denker:
Ich stand gestern "Scheinwerfer voraus" zu einer Glasfassade, als ich meine :xt12: gestartet habe...

Kann es sein, dass wirklich erst rund (gefühlte ewige) 2 Sekunden nach Motorstart die Scheinwerfer angehen? :shock:

Vielleicht bin ich dahingehend aktuell einfach etwas zu sensibel. Wird dem "Freundlichen" bei nächstmalfälliger Instpektion eh bechreiben.

Aber genau da (vor dieser eben einen Glasfassade) den Motor starend ist mir diese Verzögerung noch nie aufgefallen.

Vielleicht häng ja doch das Relais, das die Scheinwerfer angehen lassen soll, irgendwie. :denker:
Nordmann
Beiträge: 748
Registriert: Do 28. Dez 2017, 14:27
Erstzulassung: 2013
Km-Stand: 71000
Modell: DP01
Erstzulassung der 2. XT1200Z: 0
Km-Stand der 2. XT1200Z: 0

Re: Scheinwerfer bleiben dunkel

Beitrag von Nordmann »

...das Licht geht sofort an wenn der Motor gestartet wird ....

Gruß
Arnd
Wer viel fragt...kriegt viel Antwort
MB80 - MTX200R - MAICO MC 250 - FZR1000EXUP - XT600 - XTZ660 -XTZ 750 - XTZ1200 + Tenere 700
Benutzeravatar
xjr1200
Beiträge: 648
Registriert: Sa 6. Feb 2016, 18:36
Erstzulassung: 2013
Km-Stand: 122988
Modell: DP01
Erstzulassung der 2. XT1200Z: 0
Km-Stand der 2. XT1200Z: 0
Ort: Wittenbach

Re: Scheinwerfer bleiben dunkel

Beitrag von xjr1200 »

Der Meinung war ich auch. Naja, die nächsten 2x konnte ich das auch so beobachten. :?
Naja, wie gesagt/geschrieben, ich werde das beim fälligen Service mal ansehen lassen. Hauptsache es wurde wieder Licht. :-)
Antworten

Zurück zu „Elektrik & Elektronik“